發布時間:2022-03-25 11:19:22
電纜分支箱在電力系統配網電纜化工程中,是一種經濟、穩定、保護便利的接線方法,它全絕緣、全密封的特性而電纜線路缺點率大為下降,成為配網電纜化工程的重要設備。節省了設備和電纜的出資,提高了供電的牢靠性,廣泛適用于商業中心、工業園區及城市密集區。
一、電纜分支箱概述
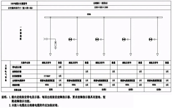
電纜分支箱用于非骨干回路的分支線路,作為結束負荷接入用電運用,適用于中小客戶會合區域進行負荷分接時的接入用電,不該接入骨干環網及聯絡。電纜分支箱選用電纜進線1回,出線2回或4回,出線回路數可根據運用需求選用,額定電流為630A。選用全絕緣、全封閉、全屏蔽可接觸式結構,以及選用防凝露、防內部缺點電弧外泄等方法。
二、電纜分支箱電氣一次部分

一進四出分支

進線帶負荷開關

進出線負荷開關

進出線斷路器
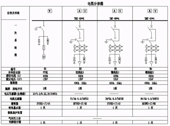
三、電纜分支箱分類
常見的電纜分支箱有美式電纜分支箱,歐式電纜分支箱,環網型電纜分支箱,帶一臺開關的電纜分支箱等,一般不含有保護裝置。
1)美式電纜分支箱,它以單向開門、橫向母排為主要特點,具有寬度小、組合活絡、全絕緣、全密封等明顯利益。600A主回路選用旋入式螺栓固定聯接;分支回路選用拔插式聯接。
分支箱主要由箱體、母排接板、電纜接頭組成;箱體防護等級:IP43;母排接板:在電纜分支系統中起到母排的作用,其特點是全絕緣,全密封。包括二通接頭、三通接頭和四通接頭。
按電流等級可分為200A和600A兩種。200A母排接板與肘型電纜插頭聯接;600A母排接板由于T型電纜接頭或T-Ⅱ型電纜接頭聯接,從而組合成電纜多路出線。當母排接板留有預留接口時,可用相應的200A或600A絕緣帽將此接口封住。
T型電纜接頭,用于電纜分支箱的主網分支系統600A,既能夠聯接600A母排接板M,也能夠和T-II型電纜接頭600A側聯接。或者直接用若干只T型電纜接頭組合聯接,可活絡組合成多路多種型式的電纜分支。
一同T型電纜接頭也可作為環網柜的進出線電纜接頭用,設備需求檢修時,可將T型電纜接頭裝置在單通接頭上,與檢修設備進行阻隔,在其測試點上也能夠裝置短路缺點指示器或帶電指示器,相同完結快速缺點定位或線路帶電狀況指示。
2)歐式電纜分支箱,它的首要特點是雙向開門、運用穿墻套管作為聯接母排,具有長度小、電纜擺放清楚、三芯電纜不需大跨度交叉等明顯利益。一般選用額定電流630A螺栓固定聯接式電纜接頭。